- 产品描述
- 技术参数
- 其它说明
- 在线订购
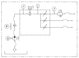
性能与特点:
1、自动循环注油润滑。
2、风冷却系统装置对润滑油进行冷却。
3、设有超压堵塞和不供油检知报警信号输出。
适用范围:
YLS-Z型风冷循环系统专为三路循环齿轮箱体设计开发,目前应用在大型饲料颗粒机上。
外形尺寸图
规格型式与技术参数:

|
电压(V) | 功率(KW) | 极数 |
吐出压 ( kgf/cm2) |
吐出量 ( L/min ) |
出油口数 |
压差发讯器 ( kgf/cm2) |
油流检知开关( L/min) | 风冷机 | 适用油品 | |||||
| YLS-Z | 三相220/380 | 0.75 | 4 | 2~10 | 7 | 3 | 3.5 | 0.5 | |||||||
| 耐压20kgf/cm2 | |||||||||||||||
液压原理图









