- 产品描述
- 技术参数
- 其它说明
- 在线订购
性能与特点:
1、每次固定流量供给润滑部分;
2、不因油品黏度及打油时间长短而影响流量;
3、须搭配有脱压装置之容积式注油机使用。
1、每次固定流量供给润滑部分;
2、不因油品黏度及打油时间长短而影响流量;
3、须搭配有脱压装置之容积式注油机使用。
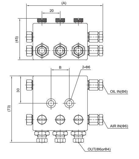
外观尺寸图:
型式及技术参数:

| 型式 | 品号 | 出口数 | A | B | 吐出量(cc/stroke) |
| SRD-02A | 20214 | 2 | 64 | 0 |
0.06 0.1 0.16 0.2 |
| SRD-03A | 3 | 84 | 20 | ||
| SRD-04A | 4 | 104 | 40 | ||
| SRD-05A | 5 | 124 | 60 |
工作原理说明:
1、从油泵中压送出来的润滑油,使分配器中的伞形阀开始往上推动;
2、当伞形阀把芯杆中心孔封闭后,迫使活塞克服簧力开始上升。将上腔原先存储的润滑油排出;
3、当活塞移至上腔顶点时,排油同时完毕;
4、油泵停止供油时,其卸压阀自动开启,使主油管内压力油通过卸压阀回油。此时系统压力下降,分配器中的活塞在弹簧作用下开始回复,当伞形阀回复封闭分配器进油口,则活塞把存储在下腔的润滑油通过芯杆小孔压送到上腔,同时下次的供油也准备完毕;

2、当伞形阀把芯杆中心孔封闭后,迫使活塞克服簧力开始上升。将上腔原先存储的润滑油排出;
3、当活塞移至上腔顶点时,排油同时完毕;
4、油泵停止供油时,其卸压阀自动开启,使主油管内压力油通过卸压阀回油。此时系统压力下降,分配器中的活塞在弹簧作用下开始回复,当伞形阀回复封闭分配器进油口,则活塞把存储在下腔的润滑油通过芯杆小孔压送到上腔,同时下次的供油也准备完毕;










